| 产品特点
》 适合与手动定位装置配合使
用的小型自动对接接头
》手动作业操作简单,能实现托盘和基板的高精度定位:3μm
重复定位精度:3μm,适用于需要高精度定位的托盘或精密设备
| 动作原理
| 使用实例
■ 精度保障功能(可动式锥套的说明)
手动定位装置通过采用可动式锥套,实现了二面约束定位。

■ 可动式锥套的优点
① 能吸收每个定位销/定位套的定位部位的误差
② 能吸收因长期使用所产生的定位部位磨损导致的误差(吸收)
③ 能吸收安装孔间的间距精度误差
④ 能吸收因温度变化导致的孔间距精度误差(距离)的变化
可动式锥套的优点,能通过锥套的上下移动吸收尺寸误差,使定位销/锥套/定位套之间的间隙为零,
通过二面约束定位保证确实可靠的重复定位精度。
| 精度保障功能

可动式锥套吸收安装孔间距精度误差的原理(③/④)
由可动式锥套吸收安装孔间距精度误差,能防止定位销/定位套的变形,并能降低定位部工序转换用的磨损。
※尤其在使用多个工序转换用夹具时,可动式锥套的精度保障功能更是必不可少的。
| 型号表示
| 规格

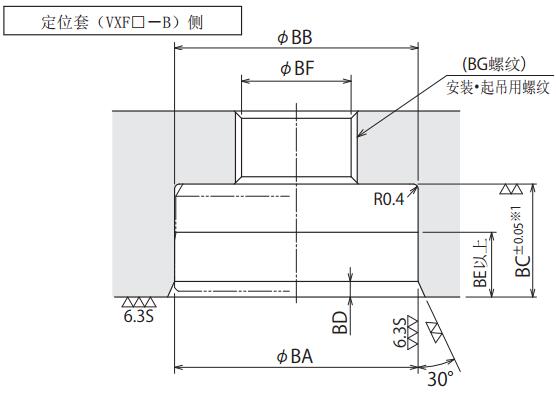
| 外形尺寸
■ 外形尺寸
■ 安装部位加工尺寸
■ 安装间距精度

■ VXF-PC的安装位相

■ 关于安装・拆卸
■ 附件:定位套压入用辅具
| 注意事项
1) 在X轴 /Y轴方向上定位
● 通过锥销(VXF-PD:基准定位用)决定基准位置(原点)。
● 菱形销(VXF-PC:单个方向定位用)只进行 1 个方向(Y 轴方 向)的定位。
● 菱形销(VXF-PC)的安装相位请按下图所示进行安装。

● 应使相位确认用缺口位于 VXF-PD 与 VXF-PC 的中心连接线上。
2) 垂直姿势(壁挂式)使用托盘时
● 托盘、夹具基板有可能会落下时,请在外部设置临时固定装置。
● 托盘垂直姿势(挂壁式)使用时,会导致内部滑动面的偏磨损。请定期检查确认定位精度,如果超出容许范围,请立即更换装置。
● 关于托盘垂直姿势(壁挂式)使用时的托盘重量,请参照规格栏中的装载重量(垂直安装时)。
3) Z轴方向的基准面
● Z轴方向的基准面位于用户设备的基板与托盘之间。Z轴方向的基准面会对 Z 轴方向的定位精度产生影响,故而制作时应尽可能提高其加工精度。
4) 请设置粗导销
● 如果在装卡夹具托盘时与手动定位装置的锥形面发生接触或碰撞,就会导致设备损伤,定位精度恶化等故障。推荐设置粗导销,以免产生接触或碰撞。
5) 确认规格型号
● 定位操作采用手动操作方法进行。
● 本产品是定位专用销,并不具备夹紧功能。
● 螺栓的紧固顺序(定位动作):请按锥销(VXF-PD)→菱形销
(VXF-PC)的顺序依次紧固。如果除手动定位装置部位外还有
其他螺栓时,请按锥销(VXF-PD)→菱形销(VXF-PC)→
其他螺栓的顺序依次紧固。
6) 关于安装 VXF□-B 时的压入夹具
● 压入安装 VXF□-B 时,必须使用定位套压入夹具(ZZV0010-□)
或同类产品。(请参照第 8 页。)
VXF□-B 型产品并未附带定位套压入夹具(ZZV0010-□),请单独订购。
7) 请使用平垫圈
● 推荐在紧固安装螺栓时使用平垫圈,以免基座产生凹陷或伤痕。
8) 操作方面的注意事项
● 请指派具备丰富知识和经验的员工操作使用。
● 在尚未切实落实安全措施的情况下,严禁对装置进行安装、拆卸。
● 严禁擅自对装置进行分解、改造。如果擅自对本产品进行分解
或改造,即使在质保期内发生问题厂方也概不负责。
| 保养・检查
1)拆卸设备之前必须切断压力源
● 拆卸机械设备之前必须认真确认是否已对被驱动物体采取了防止坠落
措施和防止误动作等措施。
● 重新启动机械设备前应认真确认螺栓等连接部位有无异常现象。
2)应定期清扫定位装置(VXF)的各个基准面(锥形基准面)。
● 如果定位装置的表面附有污损物,会导致定位精度不良,动作不正常
等故障。
3)请定期检查手动定位装置的压入动作是否良好。
4)请检查并确认装置有无异音,动作是否正常、顺畅。
● 特别是长期闲置后重新启用时,更应确认机械设备的动作是否正常。
5)请将本设备安放在阴凉、避雨、干燥之处进行保管。
6)本产品的解体大修作业请委托本公司。
| 质量保证
1)保修期
● 产品的保修期是从本厂发货后 1 年半,或者开始使用后 1 年内的较短
一方为准。
2)保修范围
● 凡保修期间因本公司责任发生的故障或不良现象,均由本公司负责
进行故障部分的更换或修理。
但是下记事项,因使用方管理不善而出现故障时,不属保修范围之内。
① 没有按规定条款进行定期检查及维护时。
② 因操作人员的判断失误、使用不当造成的故障。
③ 因用户不适当使用和操作而造成故障时(包括第三方的不当行为造成的损坏等。)
④ 非本公司产品质量方面的原因造成的故障。
⑤ 自行进行改造、修理,或未经本公司同意擅自进行的改造、修理而造
成的故障。
⑥ 其他非本公司的责任造成的故障,例如自然灾害等引起的故障。
⑦因磨损、老化发生的备件费用或更换费用。
(橡胶、塑料、密封材料以及部分电器部件等)
另外,因本公司产品故障造成的间接损失不在质保范围之内。