首页
关于沃尔顿
产品中心
应用案例
技术支持
新闻资讯
联系我们
搜索
分类
首页
/
产品中心
/
快换装置
/
定位
√产品中心
电装机器人
嵌入式机器人XR系列
工序间搬运机器人SC系列
6轴机器人VP系列
6轴机器人VS系列
6轴机器人VM系列
4轴机器人LPH系列
4轴机器人HSR系列
4轴机器人HS系列
4轴机器人HM系列
力觉传感器
射频识别
Staubli 机器人
史陶比尔 四轴机器人
史陶比尔 六轴机器人
通用型专机
协作码垛机器人工作站
高速分拣机器人工作站
机器人柔性上料工作站
扩径定位销WM
产品详情
| 气动扩径定位销整体
■
动作原理
■
使用实例
■
功能
■
类型
| 动作原理
| 系统参考范例
| 型号表示
| 规格
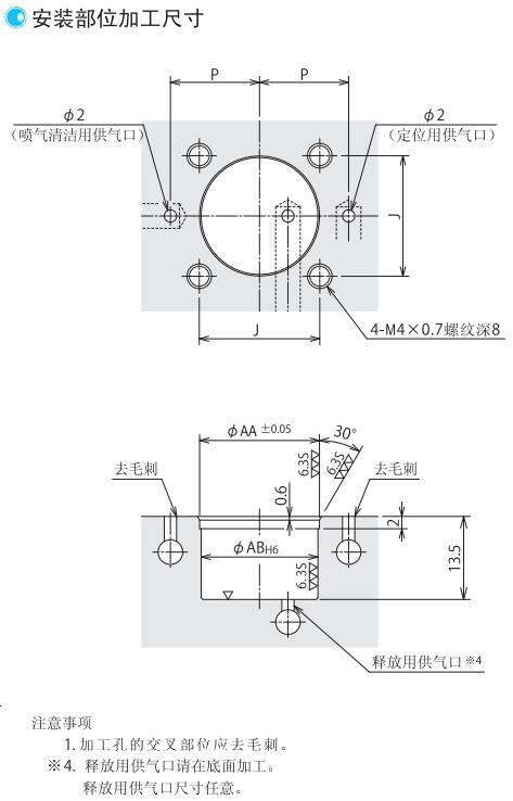
| 外形尺寸
| 注意事项
上一个:
扩径定位缸VRA
下一个:
气动扩径定位缸WK
相关产品